Toggle navigation
HOME
ABOUT US
Chairman Message
Managing Director Message
Our Mission & Vision
MANUFACTURING FACILITIES
GI Wire
Pole Fittings/Pole Line Hardware Plant
Galvanizing Plant
Factory Laboratories Details
Equipment List
PRODUCTS
Pole Line Hardware
Connector
Sub-Station Clamps
Towers
Insulator Hardware Fittings
Different type of Carriage bolt Machine bolt, Uppset bolt, U-bolt
Housing Pile
Colump Pipe
CLIENT
CONTACT
Products
Our Products
Steel Cross Arm
Top Mount Bracket
Side Mount Bracket
5-Spool Wire
Pole Band
Stud Clamp
Transformer Plateform
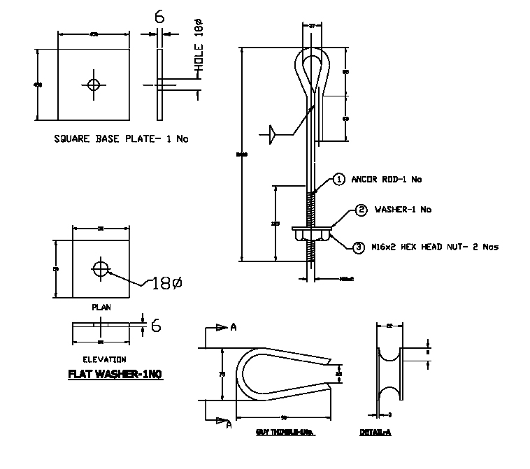
Guy Set
Outrigger
Earthing Rod
Service Drop Clamp
Strain Clamp
Service Hook
Service Hook with flat plate
Wadge Clamp
Transformer Trolley
Guy Assemble
1
© United Metal Products | design & development-
idea communication